Software

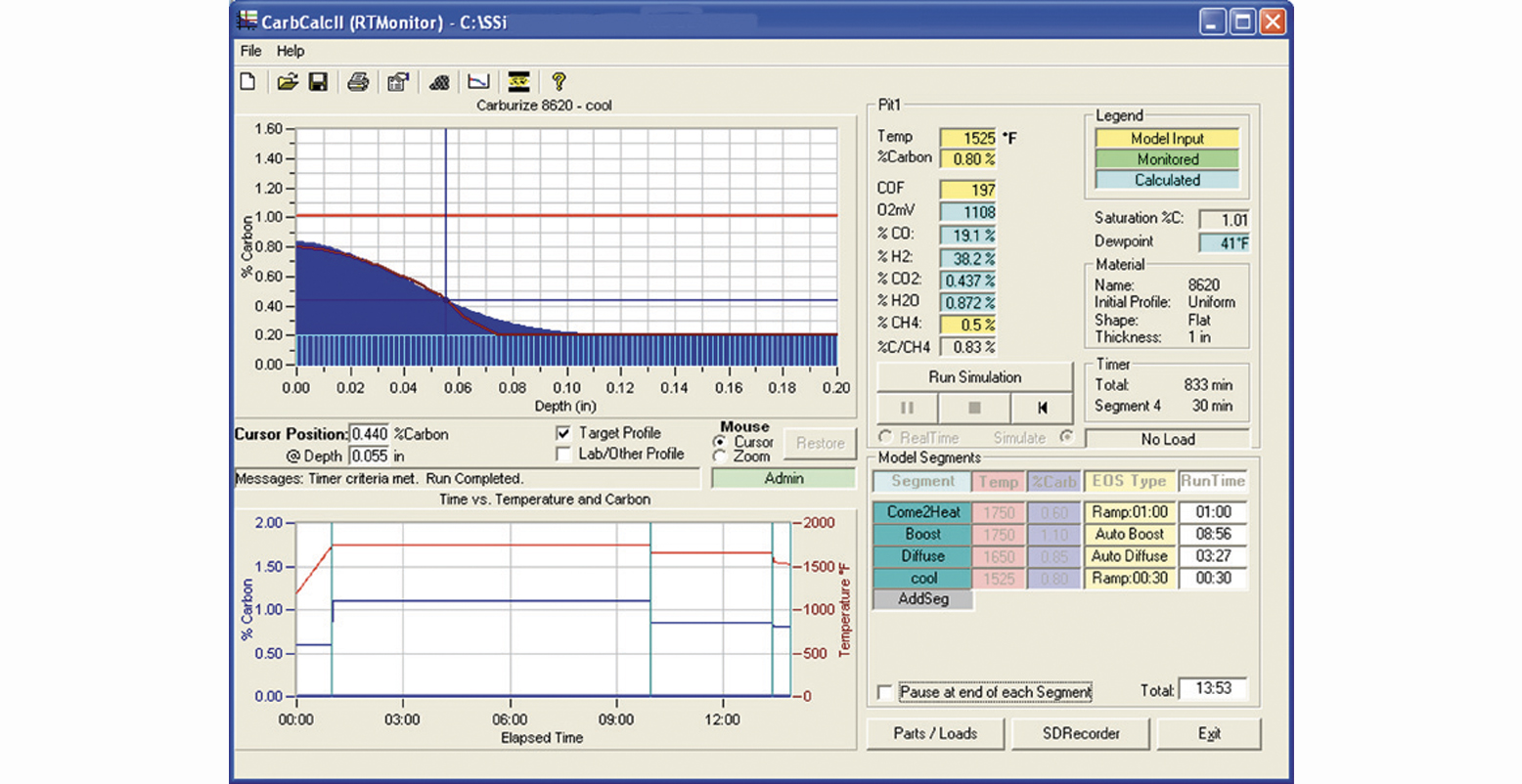
Nuestra dedicación para ayudar a los clientes a ser más eficientes y productivos se extiende al software que producimos. La suite SuperDATA de SSi incluye software para control, adquisición de datos y gráficos de tendencias. También creamos software para control de carga de horno (SSi Load Entry), personalización de pantalla táctil (Compact HMI), análisis de datos de horno (Furnace Utilization Reporting System, o FURS) y análisis de perfil de carbono (CarbCALC II). La mayor parte de nuestra instrumentación incluye software para la administración desde una PC.

Solicitar Cotización

Contacto

Acceso IV No.31 Int.H Parque Industrial Benito Juárez
C.P. 76120 Querétaro, Qro.
Teléfono: 442 210 24 59
ventas@supersystems.com.mx

Logo%20nuevo%20fondo%20blanco

Sistemas Superiores Integrales S. de R.L. de C.V.